钣金工艺概述
钣金是针对金属和部分非金属薄板(通常在6mm以下)的一种综合冷加工工艺,包括剪、冲/切/冲切复合、折弯、焊接、铆接、拼接、成形等,其明显的特征是同一零件厚度相同。通常,钣金工厂最重要的三个步骤是剪、冲/切、折,主要是通过钣金软件对3D图形的编辑而得到钣金件加工所需的数据,如展开图、折弯线等,并为数控冲床、激光切割机、冲切复合机以及数控折弯机等提供机床加工数据。
钣金加工的一般工艺为:⑴下料/落料,冷轧板、镀锌板、铝板、铜板适合选用剪板机或数控冲床加工,不锈钢材料通常采用激光切割;⑵数控折弯及成形;⑶钳工,包括沉孔、攻丝、扩孔、钻孔及翻边、压铆等工序;⑷零部件组合焊接;⑸焊接、打磨及校正处理;⑹表面处理,包括电镀、氧化、拉丝处理等;⑺喷涂处理,包括喷粉和喷油;⑻丝印和装配工序;⑼最终检验FQC。这些工艺的顺序根据产品不同,有多有少,有前有后。
一般来说钣金件的质量除在生产过程中严格要求外,还需要注意工序间的保护,更需要独立于生产之外的品质检验,以前是靠人的经验和简单的工具进行检测,现在逐步导入了辅助设备,诸如各种仪器和钣金检测设备。一是按图纸严格把控尺寸,二是严格把控外观质量,对尺寸不符处进行返修或报废处理,外观不允许碰划伤,对喷涂后的色差、耐蚀性、附着力等进行检验。这样就可以根据错误和缺陷找到展开图错误、各工序的不良习惯、工序中的错误等,如数冲或激光的编程错误、模具使用错误等。
由此可见,要想做出好的产品也是很不容易的。因为工序较多,而能够覆盖众多工序的工厂又较少,大多钣金加工厂的生产只涉及部分工序,如激光下料的Job-shop,只做焊接、电镀或涂装的加工厂,另外部分冲压厂也做钣金加工业务,以上问题造成了工序间质量控制困难,以致总体质量难以把控。
钣金行业由于入门门槛低,造成企业鱼龙混杂,恶性竞争严重。钣金行业缺乏职业教育和专业教育,行业技术水平参差不齐,而学徒制的缺失使工艺技术和经验更是得不到传承。行业缺乏定价标准,对前期业务报价不利,造成价格竞争逐渐成为竞争的单一手段;没有检查标准和规范,所以后期交货时十分被动……正因为以上的乱象,一步步使钣金加工行业陷入了困境,不得不在各个行业的夹缝中求生存。
行业标准亟待建立
应该指出的是,钣金和冲压是有区别的,冲压加工是指借助于常规或专用冲压设备的动力使板料在模具里直接受到变形力并进行成形,从而获得一定形状、尺寸和性能零件的生产技术,而且冲压厂大多不能确定落料尺寸,一般是在做模具时由模具厂试制出来的。板料、模具和设备是冲压加工的三要素,可以说冲压加工只是钣金加工众多工序中的一种。而钣金加工通常是在企业内部展开后向模具厂定做模具,且工序比冲压加工要复杂和繁琐的多。
我们知道,各行各业都有行规,没有规矩不成方圆。机床行业有国标、行业标准或企业标准等,冲压加工可参照的标准是GB/T 13914-2002和GB/T 15055-2007,但这两个标准并不适用于钣金件的加工要求。部分行业对钣金产品赋予机加工行业的验收标准,如大多借用GB/T 1804-m(标准:《GB/T 1804-2000 一般公差 未注公差的线性和角度尺寸的公差》),或者是尺寸和外形的验收标准依照ISO 2768mK执行,这对钣金加工方而言是不公平的,因为这两个标准的对象是机加工产品,主要是针对切削类机床所加工产品的检查标准。我们知道,金属切削机床和成形类机床本身的加工精度区别也很大。为什么钣金加工企业总是处于弱势地位,话语权和行业地位低,这与钣金行业没有行规和标准有很大关系,长此以往,对行业的健康发展很不利。所以急需制定钣金加工的行业标准,它包括定价、工艺成本标准、质量检查标准、环保标准、外观检验标准和服务等内容。而这些需要大量的数据采集和调研,这些工作应该由行业协会主持和推进。
部分企业暂行标准
首先,我们了解一下钣金加工用数控设备的加工精度,如表1所示。从表中可以看出,GB/T 1804-m或ISO 2768mK对于激光或数冲下料件在线性尺寸的未注公差方面还基本适用(但尺寸分段并不适合钣金产品),但不适用于折弯或焊接后的钣金件尺寸检查。对于折弯工序之后还有喷涂和装配工序的钣金产品,套用上述两个标准是不科学的,一般焊接结构件的尺寸和形位公差可以参照GB/T 19804-A或ISO 13920-A来执行。
表1 各数控设备的加工精度

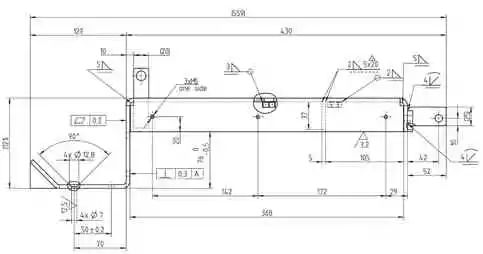
一些厂家对钣金件的要求,特别是尺寸和外形验收标准,是依照ISO 2768 mK或GB/T 1804-m执行的,所有线性尺寸极限偏差的取值如表2所示。在加工材料为SUS304、板厚为5mm的大部件(图1)时,在不考虑平面度和垂直度的前提下,仅就一个长度尺寸559±0.8mm,其精度就不容易保证,而在生产相同材料且板厚为8mm的小部件(图2)时,合理的加工工艺又该如何选择呢?
表2 线性尺寸极限偏差(ISO 2768mK)


图1 板厚为5mm的不锈钢大部件

图2 板厚为8mm的不锈钢小部件
笔者在此列举下料、折弯工序的标准及规范供大家探讨,抛砖引玉,以期在行业内引起广泛地讨论。在实际生产中,钣金件的线性尺寸未注公差、焊接件尺寸未注公差、角度和孔间距尺寸未注公差、平面度和对角线尺寸未注公差,按表3、表4、表5、表6执行,需要指出的是,表3~表6中所有内孔、缺口和空档尺寸一律取正偏差,外形和轮廓尺寸取负偏差,这些标准与GB/T 1804-m是有区别的。此外,钢板厚度的偏差会影响折弯和焊接的参数,其允许偏差标准如表7所示,需提前据此采取预防措施。
表3 钣金件未注线性尺寸公差

表4 一般焊接结构件未注线性尺寸公差

表5 钣金件未注角度和孔间距尺寸公差

表6 钣金件未注平面度和对角线尺寸公差

表7 GB/T 709-2006钢板厚度的允许偏差标准

表8 钣金冲裁的毛刺和断面粗糙度要求

表9 激光切割件断面表面粗糙度Rz

表10 折弯加工常用折弯扣除速查表(SPCC-SS400/90°) (单位:mm)

注:加工不同材料时,如SPCC、SUS、Al等,其折弯扣除BD值是不相同的。
材料是保证产品质量和精度的前提条件,简单地说,就是要“对症下药”,材料的差异对下料、折弯、焊接等工序影响较大,如,材料表面状况不好,就要调整切割条件;板厚不足,折弯扣除要做相应减少;含杂质多,焊接变形大,就要提前做好预防措施等。在数冲时,依据毛刺高度可以判断模具是否需要研磨,判断标准如表8所示。依据激光切割件断面质量以及表面粗糙度Rz值,可以判断机床及耗材的实际状况等,如表9所示。由于板厚的偏差,造成折弯扣除的数值也有一定的差别,如对材料SPCC-SS400进行90°折弯,且折弯上模rp≤0.6mm时,常用的折弯扣除值如表10所示,具体取值可通过现场试折验证。如Q235(SS400)钢板的厚度为5.0mm,实测板厚为4.65mm,那么BD的取值就不能按表选取,只能通过试折来进行取值了。