最全冲压工艺与产品设计汇总
文|凤巢
一、冲压产品的工艺分类
1、基本工序分类
冲压工艺按其变形性质可以分为材料的分离与成型两大类。
分离工序是指坯料在冲压力的作用下,变形部位的应力达到抗拉强度以后,是坯料发生断裂而产生分离,从而获得所需形状与尺寸的工件的冲压工序。
成型工序是指坯料在冲压力的作用下,变形部位的应力达到屈服点,但未达到抗拉强度,使坯料产生塑性变形而不发生断裂分离,从而获得所需形状与尺寸的工件的冲压工序。

2、分离工序的类别
分离工序按照其不同的变形机理分为冲裁、整修两大类。
冲裁:指用模具沿沿一定的曲线或直线冲切板料(包括以下几类)





整修是对冲裁件的断面部分进行再加工的分离加工方法,整修变形是一种切削机理,其工件的尺寸精度和断面质量比冲裁件好。

3.成型工序的类别
成型工序较多,包括:弯曲、拉深、翻边、胀形和挤压工艺等。(具体如下:)








二、冲裁
1、冲裁产品的形态与成型过程介绍
冲裁产品的形态。冲裁产品的的断面分为:塌角、光亮 带、断裂带、毛刺,这四种形态是在产品冲裁过程中于不同的阶段,不同的部位、不同的应力作用下产生的。

如上图,1塌角 :高度约等于8%T至15%T ;2.光亮带 :高度约等于15%T至55%T ;3.断裂带 :高度约等于35%T至75%T ;4.毛刺 :高度约等于5%T至10%T

1)弹性变形阶段
受力分析:刃口部分材料受剪切力,力的大小小于弹性极限,若力消失,则材料恢复原始状态。

状态描述:凸模施加压 力于材料,材料略挤入凹模刃口。

2)塑性变形阶段
受力分析:材料受力由边及中心 ,逐渐超过弹性极限

状态描述:凸模进一步深入材料,在本阶段冲裁件产生塌角以及光亮带

3)剪裂阶段
受力分析:材料靠近凹模刃口的部分应力首先达到材料的抗剪切强度,使凹模刃口旁边的材料产生的裂纹增大。而此时凸模刃口部分材料还处于塑性变形阶段,随着冲头的进一步深入材料,冲头附近材料也达到剪切强度,也产生裂纹 ,再往后两裂纹重合,材料分离。

状态描述:材料分离,上下裂纹重合时相互撕扯产生毛刺

三、与产品设计相关的冲裁工艺要点及设计举例
1、冲裁产品的分类、作用及结构
冲孔 piercing
作用 1.作为一般过孔使用(要求较低);2.作为自攻牙底孔使用(产品设计要求光亮带比例较高);3.作为高精度转轴孔使用(要求无毛刺,少断裂带)(采用机械去毛刺的方式或模具倒面的方式)
注意:设计冲孔时,由于受到凸模强度的限制, 孔的 尺寸不宜太小(一般大于0.5T)

落料 stamping
作用 1.作为一般外形使用(要求较低);2.作为对接接头激光焊接装配使用(无毛刺、大的光亮带、小的断裂带间隙);3、作为软饰支架使用(要求卷边或者去毛刺)
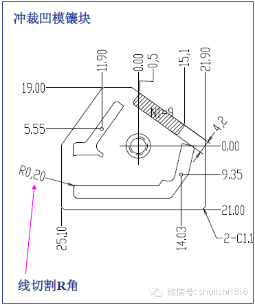
注意:1、产品设计时应该使冲裁件各直线或曲线的连接处有适当的圆角.(否则凹模应力集中,容易损坏);2、考虑到模具线切割的加工工艺,冲裁零件或者落料零件的最小R角不要小于R0.2。

切舌、切曲 lancing
作用 1.作为卡扣使用;2.作为限位使用;3.节约工序,提高材料的利用率,将切边与折弯两道工艺合二为一。(缺点:毛刺方向无法改变,必须与冲头方向相反)
注意:要求切口部位与折弯部位距离足够大, 满足冲头强度.

切舌、切曲 结构设计的注意点:
1)切曲时冲头的宽度要足够大,零件设计时保证切口部位和折弯部位的距离在5mm以上,否则冲头强度低,影响模具的寿命。
2)模具设计时刀口剪切部分要保证3mm左右的直边,以防止产生崩刀的现象。冲头两边要保证留有断差,从而保证先剪后弯。

与冲裁相关的产品设计注意点总结
1)产品设计时应该使冲裁件各直线或曲线的连接处有适当的圆角.(原因:1、普通线切割的最小R角为0.2,尖角不易保证。2、尖角处凹模应力集中,模具受力后容易损坏。)
2)产品设计时应该标明毛刺方向.毛刺对产品装配以及操作员工的安全都非常重要。(注意:是标注毛刺方向,不是冲压方向)

3)设计冲孔时,由于受到凸模强度的限制, 孔的 尺寸不宜太小(一般大于0.5T,尽量不要让孔的直径小于0.8T)
4)设计产品时,材料的抗拉强度应尽量小于630MPa,否则模具较难制造。(当产品的抗拉强度小于630MPa时,模具材料可选用普通的价格相对便宜的模具钢,如: Cr12、Cr12MoV、SKD11、 D2等。当产品的抗拉强度大于630MPa时,模具材料需选用特殊的、较贵的模具钢,如SKH-9)

5)当产品设计对冲裁断面有特殊要求时必须标明各断面部位可接受的最小值。
6)切曲时注意在产品上设计切边角度,以便于脱模,从而减少冲头的磨损。

2、冲裁模具简介
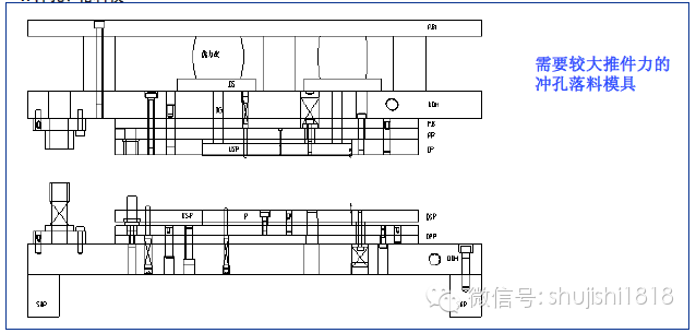
1)冲孔、落料模


2)去毛刺模具




3)侧面冲孔模具


四、弯曲产品形态与成型过程介绍
1、弯曲产品的形态
折弯成型机理:金属材料受到的应力大于弹性极限(屈服强度)而 又小于断裂极限(抗拉强度),造成板料在弯曲变形区内的曲率发生变化,形成折弯。
折弯受力分析:折弯时材料内侧受压应力、外侧受拉应力,并且拉应力占主导作用,故材料的中性层为材料中心偏向折弯内侧。

中性层 :距离材料内侧约等于0.255T
材料的外层纤维由于受到拉应力材料产生相对移动,材料的不足由宽度方向补充
2、折弯过程(以V曲为例):
1)凸模运动接触板料(毛坯)由于凸,凹模不同的接触点力作用而产生弯矩,在弯矩作用下发生弹性变形,产生弯曲。
2)随着凸模继续下行,毛坯与凹模表面逐渐靠近接触,使弯曲半径及弯曲力臂均随之减少,毛坯与凹模接触点由凹模两肩移到凹模两斜面上。
3)随着凸模的继续下行,毛坯两端接触凸模斜面开始弯曲。
4)压平阶段,随着凸凹模间的间隙不断变小,板料在凸凹模间被压平。
5)校正阶段,当行程终了,对板料进行校正,使其圆角直边与凸模全部贴合而成所需的形状。

3、弯曲产品容易出现的两类问题(回弹、开裂)
1)回弹:
回弹的原因:材料是由众多层的纤维排列而成的,每一层纤维的 受力情况不一样,(最外层受拉应力最大,最里层受压应力最大,两种力的大小向中性层方向递减),故在折弯成形后,并不是所有的纤维层的受力都大于材料的弹性极限,所以处于弹性变形阶段的材料有回复的现象

1)中性层的应力、应变为零
2)中性层向内侧压应力逐渐增大
3)中性层向外侧拉应力逐渐增大

1)冲压件在弯曲时,大部分材料层的应变都进入塑性变形区域,这些材料层不会产生回弹。
2)靠中性层距离较近的材料层应变依然处在弹性变形区域,这些材料层在外力消失后(折弯冲头离开工件)会产生回弹
影响回弹的因素:
(1)材料的弹性极限越高,所需要的变形应 力 就越大,回弹也就越大
(2) 材料的相对弯曲半径R/T越小 ,应力就越集中,弹性变形占的比例越小,回弹就越小

2)开裂
折弯时工件的部分材料层受到的应力大于抗拉极限时,工件出现开裂现象。(离中性层越远的材料层,其应力应变越大)

避免开裂的方法:避免折弯时,弯角内侧的R角过小。(一般R值不小于0.5T)
4、折弯产品的变形特点
(1)、材料的外层纤维由于受到拉应力,材料产生相对移动,材料的不足由宽度和厚度 方向补充,故材料宽度尺寸减小。
(2)、材料的内层纤维由于受到压应力,内层材料向宽度方向移动、致使材料内层宽度增加。
(3)、当宽度小于3倍的材料厚度时,以上现象明显,产品设计时应避免宽度小于3倍的材料厚度的情况。

5.与产品设计相关的弯曲工艺要点及设计举例
(1)弯曲件的圆角半径不宜小于最小弯曲半径,以免产生 裂纹;但也不宜过大,否则由于变形不彻底,回弹回较大.(一般情况下最小弯曲半径R>=0.5T)
注意:
1)产品设计时应避免折弯R角过小,否则易引起应力集中。
2)R角尺寸必须标注在内侧。(具体原因:折弯时工件贴紧冲头,冲头的R角决定了工件的R角,并且易于控制和调整。)

(2)弯曲件的弯边长度不宜过小,否则在弯边时模具对材 料的支持长度太小,不容易得到形状准确的零件,弯曲件往往容易外倒. H>R+2T.

注意:产品设计时应避免折弯直边过小,否则易引起外倒,不易控制垂直度。
(3)弯曲件不应位于零件宽度突变处折弯,以避免撕裂.若必须在宽度突变处弯曲时,应事先设计工艺槽.
(4)由于在弯曲时毛坯或多或少都会有滑移现象,故产品设计时应尽量设计工艺孔.



6.折弯模具简介




五、成型工艺形态与过程介绍
1、成型工艺分类及介绍
成型机理:金属材料受到的应力大于弹性极限(屈服强度)而 又小于断裂极限 (抗拉强度),在塑性变形范围内产生设计人员想要的变形模式。

成型工艺分类:1.拉深 2.挤压 3.翻边 4.翻孔(抽孔) 5.缩口、扩口

2、与产品设计相关的成型工艺要点及设计举例
1)挤压
挤压凸包的作用有三个:
(1)作为两个零件间的自定位销使用

注意:
a.当凸包做定位销使用时,需要严格控制凸台的直径,一般情况下凸台的直径公差可控制在+/- 0.04mm左右
b.由于凸包是挤压成型的,故凸包的侧面全是光亮带;
(2)作为运动机构的限位使用

(3)作为凸焊的凸点使用

凸包设计的注意点及冲头尺寸:
原则:1)必须保证凸包和母体之间有足够的材料连接,否则凸包易脱落。2)作为凸焊使用时凸点直径D>= 2t+0.7,并且大于1.8mm.
凸点高度H>=(0.4t+0.25),并且大于0.5mm
凸包极限高度设计尺寸如下图


注意:标注凸包尺寸时,只能够控制外凸部位尺寸,不能控制内凹部位尺寸。
挤压凸包模具结构:凹模的尺寸决定凸包的直径顶针和挤凸冲头共同决定凸包的高度。注意:标注凸包尺寸时,只能够控制外凸部位尺寸,不能控制内凹部位尺寸。

2)抽孔
抽孔的作用有两个:
a)作为铆钉连接零件使用(包括冲铆、翻铆);
优点:可省略铆钉,节约成本。
缺点:不能承受很大的拔脱力或剪切力。
抽孔冲铆:起固定连接作用。
抽孔翻铆:起旋转轴的作用。

b)作为连接螺母使用

抽孔设计的注意点及冲头尺寸:
原则:a)必须保证有足够的材料流动(即,必须计算抽孔可行性)。
b)作为翻铆使用时,必须控制抽孔的外径(尺寸标外径)。

注意:模具对抽孔的内、外径都可以控制 ,冲头控制内径;凹模控制外径,但不能同时控制。即每个零件只能控制一个值.
c)作为螺母使用时,必须控制抽孔的内径(尺寸标内径)。

d)作为螺母使用时,必须保证抽孔后变薄的直边厚度大于1.3倍的螺纹牙距。

e)作为螺母使用并且有强度要求时,必须保证抽孔后直边最小高度大于3倍的螺纹牙距。

抽孔可行性计算:
抽孔: 沿内孔周围将材料翻成侧立凸缘的冲压工序。
翻孔系数:预冲孔直径与翻孔后直边的中径的比值(翻孔系数越大变形程度越小)

影响翻孔系数的因素:
a)材料的塑性,塑性越好翻孔系数越小。
b)预冲孔相对直径D/t,D/t越小,翻孔系数越小。
c)孔的加工方法。(若翻孔较高,则毛刺位于内侧时,不易开裂;位于外侧时需增加导面工序然后再抽孔。)
d)翻孔冲头的形式。(球面冲头能够使翻孔系数减小,增大变形程度。)
理论上需要根据抽孔系数来判断抽孔工艺是否可行(该方法需要确定的因素太多,费时费力)。一般情况下可根据预冲孔与料厚的比例关系,进行判断。当预冲孔相对直径D/t大于1时,一般认为可行。
预冲孔尺寸计算:
原则:翻孔前后体积不变原则。
AB={H*EF-(π/4-1)*EF*EF}/T
预冲孔直径d=D-2*AB
一般翻孔后材料的厚度变薄,变薄系数取0.45到0.9之间。
变薄系数指:EF与原材料厚度T的比值
一般认为当d>=T时,抽孔可行( 经验值,详细判断可参考抽孔系数)

抽孔模具结构

抽孔冲头结构:
a)当采用抛物线形的翻孔冲头时,因为有圆弧过度,故翻的质量较高。(结构如下)

注:圆弧半径不一样时,冲头对材料的挤出效果不一样。小的圆弧冲头由于过度较小,对材料挤出时瞬时的挤压力大,故材料的变形也大,所以在其他条件相同的情况下,采用小圆弧翻孔冲头翻孔的高度较高。
b)无预冲孔的一次翻孔成形冲头。

注:刺孔的大小与两次成形时预冲孔的大小一致(A=a, B=b)。一次冲孔翻孔结构,只适用于翻孔毛刺在外侧的情况。
3)内凹翻边
翻边是沿外形曲线周围将材料翻成侧立短边的工序。
a)内凹翻边(伸长类翻边):变形与抽孔相似。
b)变薄率范围在0.9~1之间(变形最严重的区域在最高端面)
内凹翻边可行性判断:
a)展开尺寸

b)判断
翻边前的端面弧长度L1
翻边后的端面弧长度L2

当端面变形率K>原材料的延伸率时,会出现开裂现象

产品设计时,可以调整R、r、h的数值,使得端面变形率满足设计要求 ,不产生开裂的现象.
4)外凸翻边
a)外凸翻边(压缩类翻边):变形性质属于压缩成型。
b)外凸翻边展开尺寸

六、其它冲压模具结构简介
1、卷圆模具结构(方式一)
步骤:1、卷八分之一圆, 2、上斜曲八十度,3、下推卷圆成形。

2、卷圆模具结构(方式二)
步骤:1、卷四分之一圆, 2、利用滑块侧推。

3、打扁模具结构(外边缘打扁)
步骤: 1、下料;2、上曲90度;3、下压70度(冲头R的大小为2倍的料厚减0.3) 4、压平

4.打扁模具结构(内孔打扁)
步骤: 1、下料;2、上曲90度;3、下压70度(冲头R的大小为2倍的料厚减0.3) 4、压平

5、拉深结构

